2_Стабилитрон АТСб-23-1
Требуемые условия завершения
Открыто с: вторник, 12 сентября 2023, 08:05
Выполнить до 17.09.2025
Пример решения задачи
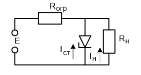
Задача 4: Для стабилизации напряжения на нагрузке (рис) используется стабилитрон, UСТ = 10В. Определить допустимые пределы изменения питающего U, если IСТ.MAX = 30 мА, IСТ.MIN = 1 мА, RН = 1 кОм, RОГР = 0,5 кОм.

Решение: Е = UСТ + RОГР (IН + IСТ) IН = UСТ/ RН, т.о. Е = UСТ×(1+ RОГР/ RН)+ IСТ×RОГР ЕMIN = 10(1+0,5)+1×0,5 = 15,5 B ЕMAX = 10(1+0,5)+30×0,5 = 30 B